金属管浮子流量计的传感器部分可采用不锈钢(1Crl8Ni9Ti)、钼二钛(316、316L),以及内衬聚四氟乙烯等材料,根据用户要求也可用特殊材料制造,以适应腐蚀性流体(如氯气、盐水、盐酸、硝酸和硫酸等)的流量测量。
金属管浮子流量计是采用可变面积式测量原理,用于连续测量封闭管道中的液体和气体的体积流量。具有结构坚固可靠、适用温度范围广、精度高、价格便宜,能适用多种场合的流量测量等特点。本系列为现场指示型,有下进上出、左进右出和下进侧出三种安装形式。可广泛适用于国防、化工、石油、冶金、电力、环保、医药和轻工业等部门的液体、气体流量测量。
电远传型金属管浮子流量计输出为4~20mA标准电流信号,可与DDZ-II或DDZ-III电动单元组合仪表配套使用,也可直接输出计算机系统,参与系统的监控。本仪表可根据用户需求,加装上下限报警。
一、金属管浮子流量计测量原理:
金属管浮子流量计的浮子垂直安装在锥形测量管内,由于流体的作用,它可以在锥形管中上下自由移动,浮子的大外缘直径与锥形管形成的环形面积随着浮子位置的变化而变化,当流体的流量稳定在某一数值时,浮子也在某一个位置处于一种动平衡状态,它与锥形管之间的环形面积也保持恒定,此时,浮子受到三个力的作用:浮子向下的重量W,向上的浮力F和流体的动力P,这三个力达到平衡。根据流体动力学的柏努力方程,力平衡方程和流体的连续性定理,可以计算出流体通过环形面积的平均瞬时流量。  | ![]()  | 
二、主要技术参数:
1、基型金属管浮子流量计: (1)测量范围:水(20℃) 2.5~150000L/h、 空气(20℃,0.1013MPa)0.07~4000Nm3/h; (2)量程比:10:1; (3)精度:1.5/2.5; (4)工作压力:≤6.4MPa; (5)工作温度:-40~350℃(氟塑料衬里-10~80℃); (6)环境温度:-20~80℃; (7)介质粘度:DN15≤5mPa.S、DN25~DN150≤250mPa.S; (8)管体材质:1Cr18Ni9Ti,316L,内衬PTEF等; (9)过程连接:法兰,或按用户提供; (10)蒸汽夹套头:法兰:DN15/PN1.6,或按用户提供。  | 2、带远传金属管浮子流量计: (1)基本误差:1.5%F.S; (2)输出信号:4 ~ 20mA; (3)负载阻抗:350Ω; (4)电源电压:24V DC; (5)环境温度:-30 ~ 80℃; (6)出线口:M20×1.5; (7)防爆标志:ExibIICT4; 
  | 
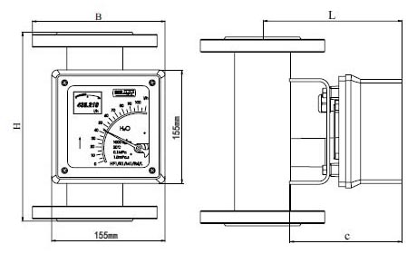
三、金属管浮子流量计计外形尺寸图:
![]()  | ![]()  | ![]()  | ![]()  | ![]()  | ![]()  | 
下进上出  | 防腐型  | 上进下出  | 下进侧出  | 夹套型  | 水平安装  | 
通径 (DN)  | L (mm)  | H (mm)  | B (mm)  | ![]()  | 
15  | 150  | 250  | 220  | |
25  | 150  | 250  | 230  | |
50  | 175  | 250  | 270  | |
80  | 210  | 250  | 300  | |
100  | 230  | 250  | 320  | |
150  | 265  | 400  | 360  | |
200  | 300  | 500  | 390  | 
四、金属管浮子流量计流量范围表:
通径(mm)  | 流 量 范 围  | 压力损失kPa  | |||
水L/h  | 空气M3/h  | 水  | 空气  | ||
常规型  | 防腐型  | 常规型、防腐型  | |||
DN15  | 2.5~25  | ---  | 0.07~0.7  | 6.5  | 7.1  | 
4.0~40  | 2.5~25  | 0.11~1.1  | 6.5  | 7.2  | |
6.3~63  | 4.0~40  | 0.18~1.8  | 6.6  | 7.3  | |
10~100  | 6.3~63  | 0.28~2.8  | 6.6  | 7.5  | |
16~160  | 10~100  | 0.40~4.0  | 6.8  | 8.0  | |
25~250  | 16~160  | 0.7~7.0  | 7.2  | 10.8  | |
40~400  | 25~250  | 1.0~10  | 8.6  | 10.0  | |
63~630  | 40~400  | 1.6~16.0  | 11.1  | 14.0  | |
DN25  | 100~1000  | 63~630  | 3~30  | 7.0  | 7.7  | 
160~1600  | 100~1000  | 4.5~45  | 8.0  | 8.8  | |
250~2500  | 160~1600  | 7~70  | 10.8  | 12.0  | |
400~4000  | 250~2500  | 11~110  | 15.8  | 19.0  | |
DN40  | 500~5000  | ---  | 12~120  | 10.8  | 9.8  | 
600~6000  | ----  | 16~160  | 12.6  | 16.5  | |
DN50  | 630~6300  | 400~4000  | 18~180  | 8.1  | 8.6  | 
1000~10000  | 630~6300  | 25~250  | 11.0  | 10.4  | |
1600~16000  | 1000~10000  | 40~400  | 17.0  | 15.5  | |
DN80  | 2500~25000  | 1600~16000  | 60~600  | 8.1  | 12.9  | 
4000~40000  | 2500~25000  | 80~800  | 9.5  | 18.5  | |
DN100  | 6300~63000  | 4000~40000  | 100~1000  | 15.0  | 19.2  | 
DN150  | 20000~100000  | ---  | 600~3000  | 19.2  | 20.3  | 
五、金属管浮子流量计安装示意图:

六、金属管浮子流量计选型表:
XMYB-LZ  | 金属管转子流量计  | ||||||||||||||
口径 (mm)  | 15  | DN15  | 80  | DN80  | |||||||||||
25  | DN20  | 100  | DN100  | ||||||||||||
40  | DN40  | 150  | DN150  | ||||||||||||
50  | DN50  | 200  | DN200  | ||||||||||||
结构形式  | /  | 下进上出  | AA  | 侧进侧出  | |||||||||||
H1  | 左进右出  | LA  | 低进侧出  | ||||||||||||
H2  | 右进左出  | S  | 螺纹安装  | ||||||||||||
M  | 卫生型快装式  | ||||||||||||||
本体材质  | R1  | 321不锈钢  | RH  | 哈氏合金C  | |||||||||||
R4  | 304不锈钢  | RT  | 钛  | ||||||||||||
R6  | 316不锈钢  | RF  | 不锈钢衬四氟  | ||||||||||||
指示器类型  | 7  | 指针显示瞬时流量  | |||||||||||||
9  | LCD显示瞬时与累积  | ||||||||||||||
供电及输出信号  | K  | 4~20mA DC24V  | |||||||||||||
Z  | 4~20mA DC24V+HART协议  | ||||||||||||||
D  | 锂电池供电带液晶表头  | ||||||||||||||
报警输出  | /  | 无报警输出  | |||||||||||||
1  | 带一个报警输出  | ||||||||||||||
2  | 带两个报警输出  | ||||||||||||||
测量介质  | L  | 液体  | |||||||||||||
G  | 气体  | ||||||||||||||
附加选项  | T  | 测量管带保温夹套  | |||||||||||||
B  | 防爆(ExII CT6)  | ||||||||||||||